Site - Map


[Main navigation]

[Sub navigation]

[Detail files]

 

NEWS

(the main links of below)

   

MUSIC

CD: Ouvir mais...

Music Download

DUOS (sind noch in CDsE.htm)

SOLOS AguArianA (sind noch in CDsE.htm)

US Tour 2002

Europa Tour 2003

 

Musicians Curriculum

Photos

Press

Project Sunset music

The "band" with Giba

History

Bambu
Radio Bambu
Trio Bambu

Dimensom
IluBata
Kizumba

JantArte

 

INVENTIONS

PARADIS Polyphonic

LOOP delay ECHOPLEX

PARADIS sound story

History

Carbon analysis filters

Schema
PolyDist
PolyDist PCB
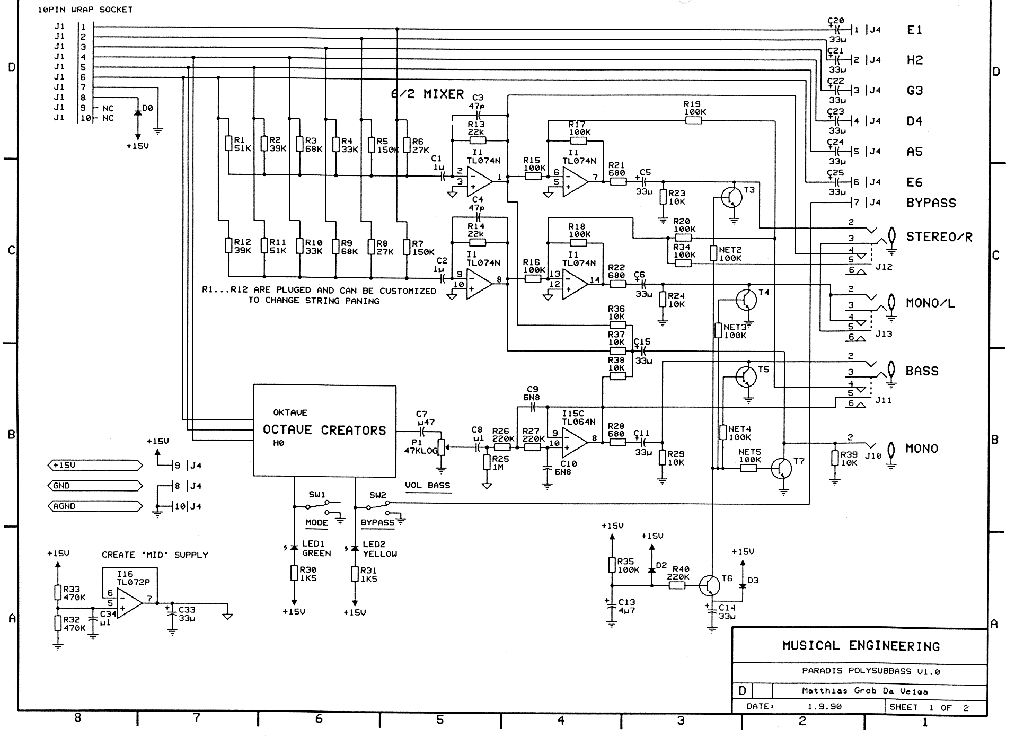
PolyBass Main
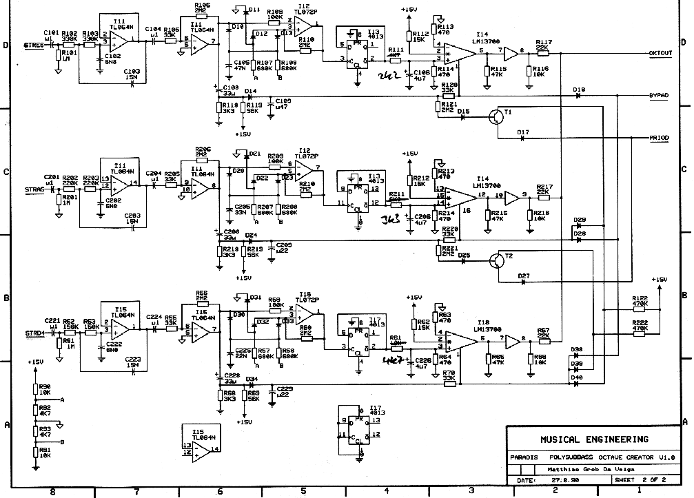
PolyBass Oct
Neutricon-DIN13

Paradis Guitars
Original propaganda
History
Paradis Bariton
Paradis Elegy
POLYMODULE
Banjo Dream

Paradis LOOP delay
Original propaganda
History
Credits

 

INSIGHTS

A New MUSICAL CONCEPT

Evolution of Engineering

Jam Recepy

Gamboa Accident

   

ARTISTS

Tato Taborda

Bira Reis

Giba Conceição

Radha

Fernando FC

Cheyenne O'Reilley

Yadi

   

FOTOS

Portraits Matthias

Itacare Sand

Salvador Buildings

Morro de Chapeu
Cactus
Ventura

Cachoeira

Festival de Cultura Alternativa

Ciranda da Maria

Flowers

Children of Nova Canaa

Jairo in Arembepe

Pousada Quatro Estacoes

Maragojipinho

Mountain Flowers

Tarot garden

   

ABOUT ME